Odkaz
  • Conrad
  • Môj účet

    Prihlásenie / Registrácia

  • Nákupný košík

  • Výpredaj - prezrite si najnovšiu akčnú ponuku! Výpredaj - prezrite si najnovšiu akčnú ponuku!
  • Naša ponuka

    Naša ponuka

    Conrad Sourcing Platform
    Akcie
    Výpredaj
    Novinky
    Najpredávanejšie produkty
    Články
  • Značky

    Odporúčané značky

    Fluke
    Phoenix Contact
    Wiha
    TOOLCRAFT
    Weller
    Lapp
  • Služby

    Služby pre firmy

    eProcurement
    Cenový dopyt
    Produkty mimo náš katalóg
    Kalibračná služba
    Termínované objednávky
  • Naše produkty
  • Môj účet
  • Záložky
  • Odhlásiť
Conrad
Domov
Vybavenie budov a Smart Living Elektroinštalácia Rozvodné skrine FI-spínač

Siemens 5SV33443 5SV3344-3 prúdový chránič F 40 A 0.03 A 400 V

EAN:
Označenie výrobcu:
Objednávacie číslo:
Prúdový chránič FI, 63A, 30mA, s testovacím tlačidlom a označeniami 'O'/'I' na prednej strane, na ochranu pred nadprúdom.
Prúdový chránič FI, 63A, 30mA, s testovacím tlačidlom a označeniami 'O'/'I' na prednej strane, na ochranu pred nadprúdom.
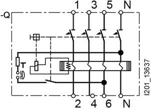
Schéma znázorňuje striedavý elektrický obvod so spínačom 'Q', cievkou 'T', číslovaním 1 až 6 a neutrálnym vodičom 'N'.
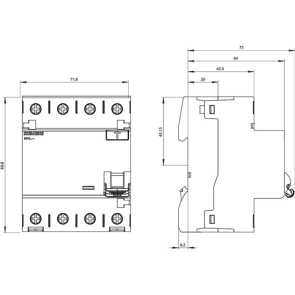
Technický výkres zariadenia s rozmermi v milimetroch. Zobrazuje predný a bočný pohľad vrátane presných rozmerov a proporcií.
1/3
Menovitý prúd - filter
40 A
Jmenotivý zvyškový prúd
0.03 A
Pólov
4
Spúšťacie charakteristika
F
Kategória výrobku
prúdový chránič
Datasheety: (PDF)
Deutsch (Deutschland)
Siemens
Doručenie:Pi 10. 4.

20 Ks

Počet

Celkom
56,90 €
bez DPH. 
Doprava zadarmo
Nahlásiť právny incident
  • Viac ako 1.000.000 produktov

  • Doprava zadarmo u objednávok nad 60 € s DPH

  • Technická podpora

  • Termínované dodávky

  • Cenový dopyt (RFQ)

O Conradovi

O Conradovi

  • Conrad Sourcing Platform

  • Kariéra

  • Naše privátne značky

  • Vulnerability Disclosure Program

  • Informácie o prístupnosti


Nápoveda

Nápoveda

  • Ceny dopravy a termín dodania

  • Možnosti platby

  • Reklamácia

  • Vrátenie tovaru

  • Obchodné podmienky

  • Centrum dokumentácie


Služby

Služby

  • Naše služby

  • Kalibračná služba

  • Káble v metráži

  • Dopytový formulár

  • E-Procurement


Doporučujeme

Doporučujeme

  • ➡️ Články

  • 🛒 Akcie & zľavy

  • 🆕 Novinky

  • Kategorie značek A-Z

  • Kategórie produktov A-Z

  • Archiv katalógov

  • Newsletter


Newsletter

Prosím zadajte platnú e-mailovú adresu!

Newsletter

Prosím zadajte platnú e-mailovú adresu!

☎ Kontakty

  • +421 220 812 508

  • Pracovné dni od 8:00 do 16:00 hod.

  • velkoobchod@conrad.cz

Platobné metódy
  • Platobná karta
  • PayU
  • Dobierka
  • Platba prevodom na účet
Pridajte sa k nám na sociálnych sieťach

Všetky ceny sú bez DPH a nákladov na doručenie. Preškrtnutá cena je vždy najnižšia ponuková cena 30 dní pred zľavou.

Všetky ceny sú s DPH a nezahŕňajú náklady na dopravu. Preškrtnutá cena je vždy najnižšia ponuková cena 30 dní pred zľavou.

Zľavy platia iba na na vybrané kancelárske produkty, ktoré sú na sklade (do vypredania zásob). Ponuka platí do 05.04.2026 na conrad.sk (s výnimkou objednávok na Marketplace). Nie je možné kombinovať s inými zľavovými kódmi. 1x na firemného zákazníka/jednotlivca. V jednotlivých prípadoch môžu platiť množstvové obmedzenia.

Meracia technika
Zľava platí iba na vybrané a ihneď dostupné položky (skladom) z kategórie meracia technika na conrad.cz (s výnimkou objednávok na Marketplace). Nie je možné kombinovať s inými zľavovými kódmi. 1x pre firemného zákazníka/súkromnú osobu. V jednotlivých prípadoch môžu platiť množstvové obmedzenia. Ponuka platí do vypredania zásob.

  • Obchodné podmienky

     

     

     

  • Osobné údaje a ich ochrana

  • Certifikát kvality ISO 9001:2015

Porovnanie produktov
Záložky